
电去离子系统(CEDI)
详细说明:
电除盐(CEDI)简介:
电除盐(CEDI)是将电渗析与离子交换相结合的新型水处理方法,利用电渗析中的极化现象对离子交换树脂进行电化学持续再生,不需要酸碱,更符合现代环保要求,可替代离子交换混床,制取超纯水。
技术原理:
电除盐(CEDI)设备由阴阳电极板、离子交换树脂、离子交换膜等组成,水中的离子被离子交换树脂捕获,水得到脱盐纯化;在电场的作用下,被捕获的阳离子透过阳膜、阴离子透过阴膜。离子透过离子交换膜后进入浓水室汇集排放。在一定电流下,水分子被电离成H+、OH-离子, 对失效树脂进行再生,从而实现连续产水、连续再生。
技术特征:
※制取电子级超纯水
※可连续自动生产,不必停机再生
※出水水质优于常规离子交换法
※不需酸碱再生,不污染环境
※运行成本低,占地面积小
进水水质要求:
※铁离子: < 0.01mg/L
※游离氯: < 0.5mg/L
※硬度: < 1.0mg/L
※活性SiO2: < 0.5mg/L
※总有机碳: < 0.5mg/L
※PH: 5.0-9.0

性能指标:
※出水电阻率: 10-18MΩ.cm
※SiO2: <10 ppb
※Na+: <10 ppb
※脱盐率: >99.5%
※单台产水量: 1-450 m3/h
应用范围:
※电力、石化及冶金行业的水处理除盐
※电子行业超纯水的制取
※医药行业超纯水的制取
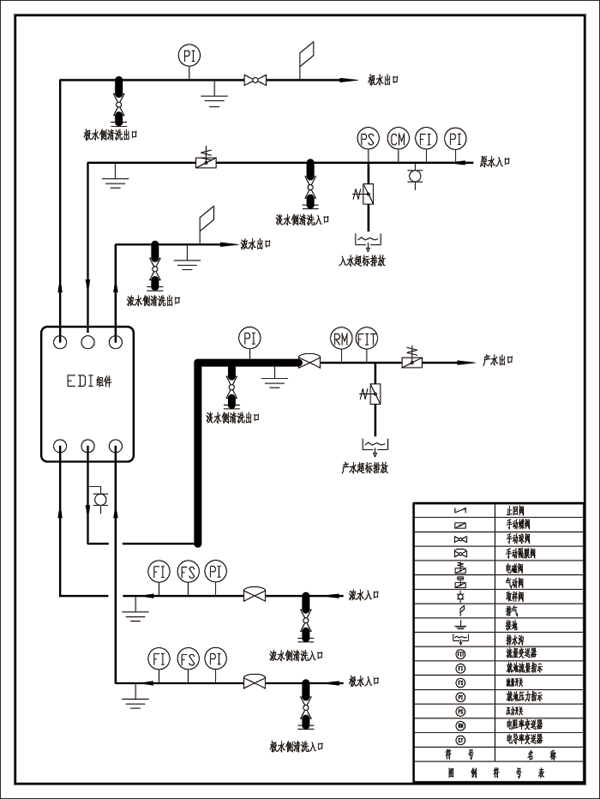
CEDI流程示意图:
