网站首页  /  联系我们  /  网站地图欢迎光临工业超声波清洗机天博com体育网站领先品牌净迪科技官方网站!
太阳成tyc7111cc集团
超声波清洗机、纯水设备生产商
精良的装备、专业的设计、高标准的施工
全国统一服务热线:
13922959255

新闻中心

NEWS

联系我们

三亿体育官网入口
手机:13922959255 苏先生
电话:0755-29496069
传真:0755-22141108
网址:
地址:深圳市宝安区燕罗街道洪桥头联丰路3号一楼

企业新闻

您的当前位置:首页 > 新闻中心 > 企业新闻 >

晶圆厂中的“超纯水”,你真的了解吗?

发布日期: 2023-12-04  浏览人数:

超纯水及溶解气体应用介绍

 
超纯水是微电子行业的工艺用水,半导体工厂会大量使用超纯水,主要用于各个制程前后的湿法清洗。超纯水中的任何污染物都会对产品良率造成影响,例如金属离子,有机物,细菌微生物,颗粒物,硅和溶解气体,不同的制程对于超纯水的规范要求如表1所示。
 
三亿体育官网入口
 
表1,微电子行业超纯水指标
 
 
对于超纯水中的溶解气体,溶解氧会导致二氧化硅薄膜生长,互联线路腐蚀等问题,溶解二氧化碳会导致阴离子超标,设备运行不稳,水质电阻不达标等问题,溶解气泡会导致晶圆表面润湿或图形缺陷等问题。因此超纯水溶解气体控制至关重要。

超纯水生产有多道工艺逐级控制各种污染物,总得来讲分为第一阶段,预处理,主要包括多介质,活性炭,软化,超滤,两级RO,阴阳床,脱碳塔/膜接触器,各级加药等工艺;第二阶段,制成段,主要包括连续电除盐EDI,阴阳床,再生混床,UV, 第一级脱氧等工艺;第三阶段,抛光段,主要包括TOC-UV,抛光混床,终端超滤/终端滤芯,二级脱氧等工艺;典型的工艺流程如图1所示;
 
三亿体育官网入口
图1,典型超纯水工艺流程及3M过滤与分离解决方案
 
 
对于溶解气体控制,同样贯穿于超纯水生产的整个工艺流程,包括预处理阶段的二氧化碳的脱除;制成阶段的二氧化碳和溶解氧脱除;抛光段的溶解氧脱除以及抛光段的溶解气体添加。综上所述,超纯水中的溶解气体控制主要有如下几个应用点,第一,超纯水脱氧;第二超纯水脱二氧化碳;第三超纯水加气-机能水应用;
 
3M Liqui-Cel膜接触器产品介绍
 
3M Liqui-Cel膜接触器产品已经广泛的应用于各Fab厂超纯水溶解气体控制应用,有超过40年成功应用历史,其稳定的性能和超长的寿命赢得了业主和合作伙伴的一致认可。关于Liqui-Cel膜接触器产品,下面我会简单给大家做个介绍。

Liqui-Cel膜接触器采用疏水聚丙烯材料建造,水不会润湿膜壁。特殊干拉状的膜孔,平均30nm的孔径,使得膜孔只有气体可以自由穿过,而水不会穿过,膜孔扫描电镜图如图2所示。
 
三亿体育官网入口
 
图2,疏水膜和膜孔电镜图
 
 
Liqui-Cel膜丝为中空纤维,300um外径,超高的封装率,产生了超大的气液接触界面和传质效率。超细的膜丝可以很好的承压,不会被外侧过大的水压压溃。
 
三亿体育官网入口
 
图3,中空纤维膜丝及编织排布
 
 
Liqui-Cel膜丝通过编织排布行程膜垫,确保纤维外侧的液体和膜丝可以充分接触,减少旁通。编织结构也可以产生局部湍流,提高传质效率。精确的编织同时保证了产品的一致性。(编织图片)

Liqui-Cel膜组件由膜垫卷绕塑封到膜壳内形成,中间部分由特殊的Baffle设计,确保水流入膜壳内强制辐射状垂直纤维流动,而不是平行于纤维流动,这种结构设计可以最大化气体传质。
 
 
三亿体育官网入口
图4,Liqui-Cel膜组件
 
 
Liqui-Cel膜接触器控制溶解气体的原理在于亨利定律,也就是控制与液体接触气相中的气相分压来控制液体中的溶解气体。可以通过扫惰性气体或抽真空降低分压进行脱气,也可以增加分压进行加气,还可以控制一定的分压调节液体中的溶解气体。Liqui-Cel膜接触器通过中空纤维膜壁上的孔提供了巨大的气液两相接触界面,从而最大化气体传质。
 
 
三亿体育官网入口
 
图4,亨利定律解析
 
 
经过几十年的发展,Liqui-Cel已经形成全系列产品线,可以针对不同流量,不同应用,不同行业,不同规范要求,选择的膜组件。
 
三亿体育官网入口
 
图5,Liqui-Cel全系列产品线
 
 
3M Liqui-Cel膜接触器针对不同应用,有多种工作模式,单一吹扫模式,单一真空模式,组合Combo模式和鼓风模式。使用最多的是Combo组合模式,即一侧吹扫惰性气体,另一侧抽真空。
 
三亿体育官网入口
图6,Liqui-Cel膜接触器各工作模式
 
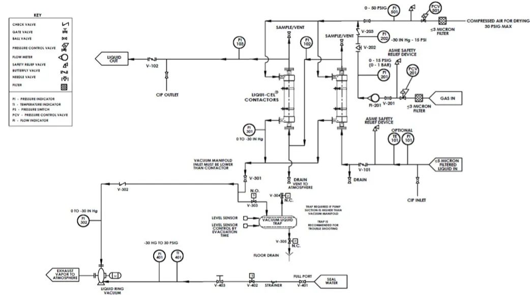
典型Combo组合模式的PID图如图7所示:
 
 
三亿体育官网入口
图7,Liqui-Cel膜接触器典型Combo组合模式PID流程图
 
 
3M Liqui-Cel膜接触器对于具体超纯水溶解气体控制的实现
 
上面介绍完了Liqui-Cel膜接触器产品,下面我会分别从超纯水脱氧,脱二氧化碳,添加溶解气体这三个应用来详细介绍一下Liqui-Cel膜接触器如何应用于这些应用。
 
1.超纯水脱氧
 
溶解氧对于半导体制程至关重要,超纯水中的溶解氧会直接导致硅晶圆热氧化,铜互连的氧化腐蚀等问题,会直接导致良率下降和设备及工艺问题。不同线宽的集成电路对超纯水中溶氧的指标有所不同,如表1所示,通常40nm以下制程,溶解氧指标都要求在1ppb以下,甚至大部分12英寸Fab厂甚至一些8英寸Fab也提升对溶氧的要求到1ppb以下。

溶解氧控制在半导体超纯水生产工艺中主要有两个位置,如图1所示,一个在制成段,去除超纯水中绝大部分溶解氧,通常安装在混床或EDI后,纯水箱之前,将水中的溶解氧从饱和溶氧降低到30ppb以内,甚至10ppb以内。也可以安装于EDI前,脱除二氧化碳的同时,同步脱除溶解氧。由于该脱氧位置脱除大部分溶氧,也叫第一级脱氧或主脱氧。第二个脱氧位置在抛光段,用于将残余的极少量溶氧降低到规范以下,通常在3ppb或1ppb以下,并维持抛光段循环的水一直维持超低氧运行,时刻满足POU用水点需求,这个位置叫二级脱氧,由于抛光段对于纯度的要求很高,该阶段的脱氧设备所有接液材料需要同时满足高纯要求。二级脱氧通常安装在抛光混床后,也有安装于抛光混床前,TOC-UV后的位置。安装于TOC-UV后时,要避免TOC-UV过量的羟基氧化Liqui-Cel膜接触器。

第一级脱氧通常要求99.5%以上的脱除效率,因此需要多级膜组串联,通常是三级来实现。采用高纯氮气吹扫和真空组合模式,最大化脱氧效率。该级脱氧最常用的膜组件规格为14x28或14x40。单只14x28膜最大流量在90立方。第二级脱氧由于高纯度要求,通常选用10x28,玻璃钢内衬PVDF膜壳,如图8所示,
 
三亿体育官网入口
图8,抛光段Liqui-Cel 10x28脱氧系统现场图片
 
 
2.超纯水脱除二氧化碳
 
脱除二氧化碳多用于水体含有过多的二氧化碳或高碱度的场合。二氧化碳通常会以游离二氧化碳或碳酸氢根的形式存在,会增加阴离子交换树脂的工作负荷,会导致EDI出水电阻不稳定,会减少硅和硼的去除率。因此阴床或混床前脱除二氧化碳可以延长使用周期至少2倍以上,减少再生频率及其相关的化学品和水消耗。EDI对入水游离二氧化碳浓度有限制要求,就是为了减少二氧化碳对EDI出水和运行的影响。通常游离二氧化碳的浓度被要求在5ppm以下,也有客户提出更高要求,二氧化碳脱除到1ppm以下。

Liqui-Cel膜接触器脱除二氧化碳有多个安装位置,如图1所示,可以安装于预处理阶段,比如一二级反渗透膜直接之间,用于替代添加氢氧化钠,对于一些高碱度水质,一级RO+Liqui-Cel+EDI可以很好的替代两级RO+EDI工艺,减少系统投资成本和运行能耗。Liqui-Cel膜接触器还可以替换脱碳塔,用于阴阳床之间,或者用于混床前,用于EDI前。相对于加碱和脱碳塔工艺,Liqui-Cel脱二氧化碳优势汇总如表2所示:
 
三亿体育官网入口
表2,Liqui-Cel脱二氧化碳与传统加药及脱碳塔对比
 
 
Liqui-Cel膜接触器脱二氧化碳系统建造也有多种模式可以选择,可以通过吹扫压缩空气的方式,也可以通过吹扫空气+真空组合模式实现更高效率的脱碳。
 
 
3.超纯水加气-机能水
 
除了从超纯水中脱除气体,为了满足某些特定半导体机台的使用要求,还需要向超纯水中添加气体,比如氮气,氢气,二氧化碳气体,用来满足机台特定的机能,比如添加氢气或氮气提高一些超声波机台对于一些纳米级颗粒的清洗效率,添加二氧化碳提高超纯水电导,有利于提高CMP后清洗效率,或者添加二氧化碳改变水PH值等,因此这些加气的超纯水又称为机能水。

加氮机能水是半导体工艺常用的机能水,通常经过二级脱氧后,超纯水中溶氧小于1ppb,溶氮小于3ppm,而机台要求溶氮达到7ppm甚至更高到饱和溶氮甚至过饱和溶氮。而溶氮可以简单的通过在二级脱氧后再增加一级Liqui-Cel膜接触器来进行加气。加氮机能水可以很好的配合超声波工艺,产生小的气穴,提高对一些纳米级颗粒的去除率。

具体的加气系统,可以有两种配置,一是通过质量流量计控制添加量即可,第二种就是通过控制氮气压力来控制添加量,对于不饱和浓度溶氮,通常通过真空泵和氮气源来控制氮气侧压力来达到要求的浓度。具体PID图如下:
 
三亿体育官网入口
 
图9,加氮机能水典型工作流程
 
 
3M Liqui-Cel膜接触器除了广泛的应用于半导体超纯水工艺,还用于半导体其他需要控制溶解气体的流体,比如用于镀铜机台电镀液脱除气泡,还可用于半导体厂高氨氮废水处理,脱除水中的氨氮,更多的内容会在后续内容向大家揭晓。关于更多的Liqui-Cel超纯水应用案例和其他半导体应用相关案例,欢迎浏览3M网站或者3M工业过滤专家公众号,也欢迎来电咨询,3M技术和业务团队随时准备为您服务。
 

 

推荐产品 +查看更多
联系我们
139 2295 9255
地址:深圳市宝安区燕罗街道洪桥头联丰路3号一楼
电话:0755-29496069
邮箱:[email protected]
关注我们
  • 微信公众号
  • 移动官网
三亿体育官网入口 版权所有  粤ICP备17105445号  HTML地图 | XML地图 |  技术支持:中赢科技